聯盟UHB-對講系統配線圖
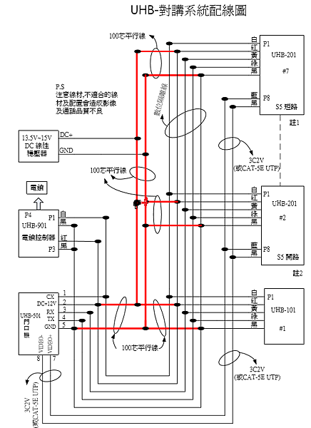
UHB-對講系統配線圖
|
註1: 配線的終端 UHB-201 ,在S5 位置須短路.
註2: 其他的UHB-201 S5 位置須開路(出廠值)
註3: 圖右側室內機各機型順序可任意設定,唯有多台UHB-201
影像室內機時,3C2V配線最末端 的UHB-201,
須調整S5 為短路以作為影像線路匹配之用,
其餘UHB-201之S5 則維持開路.
註4: 100 芯平行線為增加提供給影像門口機及影像室內機電源之用.
註5: 門口機影像訊號不可使用對講主幹線 ,【須獨立配線.】
註6: 電鎖電源須外加.電鎖配線請參閱UHB-901 使用手冊.
註7: 有多台UHB-201 影像室內機時,建議仍須加裝影像分配器
以符合影像技術規範
上圖影像並聯模式僅用於現場環境受限制時使用。
註8: 本系統透天獨棟架構容量:
室內機(UHB-101、UHB-201 混合搭配) 可達7 台,
門口機(UHB-501) 可達2 台,
電鎖控制器(UHB-901)可達2 台。
註9: 對講主幹線隔離網須與電源接地端連接在一起。
![]() 註 1: 配線的終端 UHB-201 ,在 S5 位置須短路.
註 2: 其他的 UHB-201 S5 位置須開路(出廠值)
註 3: 圖右側室內機各機型順序可任意設定,
唯有多台 UHB-201 影像室內機時
3C2V配線最末端 的 UHB-201,
須調整 S5 為短路以作為影像線路匹配之用,
其餘 UHB-201 之 S5 則維持開路.
註 4: 100 芯平行線為增加提供給影像門口機及影像室內機電源之用.
註 5: 門口機影像訊號不可使用對講主幹線 ,【須獨立配線.】
註 6: 電鎖電源須外加.電鎖配線請參閱 UHB-901 使用手冊.
UHB影像對講系統
UHB 影像對講系統電源配置估算
|

留言